Переключатель потока VDM
Двухходовой потокопереключатель VDM оптимален для пневмотранспортных систем, работающих при среднем давлении. Применяется для пневматических линий с давлением не более 1 Бар или для вакуумной транспортировки с давлением не более 0,5. Бар.
Устройство
Корпус и поворотное устройство клапана изготовлены из алюминиевого сплава. Поворотное устройство переключателя управляется пневматическим реечным приводом. По отдельному запросу переключатель потока может быть оснащен электрическим приводом от мотор-редуктора. Концевые выключатели привода находятся в защитный корпусе, а боковые крышки клапана поставляются с системой продувных уплотнений с регулятором давления.
Переключатели потока VDM комплектуются ответными патрубками различного диаметра, что позволяет использовать один типоразмер в различных пневматических линиях. На выбор доступны патрубки из низкоуглеродистой стали или нержавеющей стали AISI304.
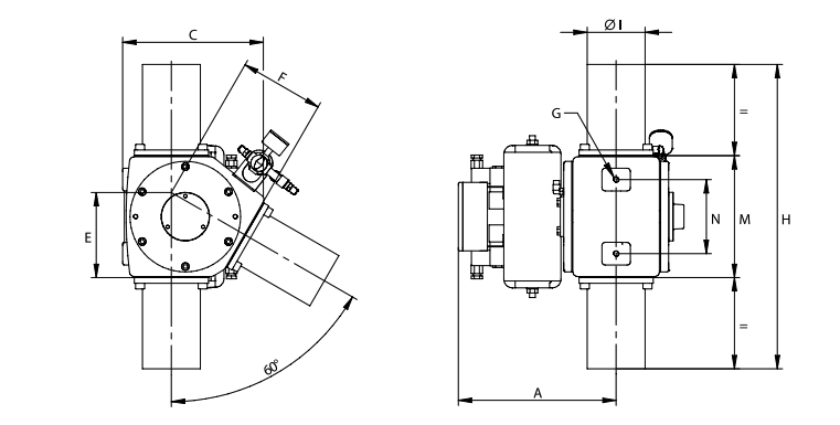
Доступны следующие типоразмеры:
ЗАДАТЬ ВОПРОС ИЛИ ЗАКАЗАТЬ
ЗВОНИТЕ! В НАЛИЧИИ, СКЛАД.
Мы свяжемся с вами для уточнения формы оплаты и способа доставки заказа
ЗВОНИТЕ! В НАЛИЧИИ, СКЛАД.
| Тип | A (max) | C | E | F | G | H | ØI* | M | N | Вес (кг.) |
|---|---|---|---|---|---|---|---|---|---|---|
| VDM65 | 335 | 182,5 | 110,5 | 110,5 | M8 | 494 | 48,3/60,3/76,1 | 164 | 95 | 25 |
| VDM95 | 350 | 247 | 149,5 | 148 | M10 | 544 | 88,9/101,6/114,3 | 214 | 130 | 30 |
| VDM120 | 375 | 312 | 188 | 188 | M12 | 679 | 133/139,7 | 279 | 170 | 60 |
| VDM150 | 447 | 395 | 232 | 232 | M12 | 735 | 152/168 | 335 | 200 | 90 |
| VDM200 | 510 | 495 | 294 | 292 | M14 | 925 | 193,7/219,1 | 425 | 245 | 145 |
Компания "Приводная механика" предлагает переключатель потока VDM со складов в Липецке, Ярославле, Казани, Воронеже, Астрахани, а так же в Республике Крым, Ижевске и Челябинске. Лучшая складская программа, много позиций имеется в наличии, лучшие условия при доставке под заказ. Вы можете купить переключатель потока VDM с доставкой в любой регион через транспортную компанию на выбор. В компании "Приводная механика" всегда низкие цены на затворы. Наши специалисты окажут профессиональную консультацию и помогут подобрать необходимое оборудование.
