Дисковые затворы для бетонных заводов
Процесс производства бетона включает большое число операций, связанных с транспортировкой и точным дозированием сыпучих материалов. Неудивительно, что для отсекания потока этих материалов используются недорогие, компактные и надежные поворотные дисковые затворы. Специфика строительной отрасли стала необходимостью разработки и производства затворов специальной конструкции, обладающих более высоким ресурсом и ремонтопригодностью. Так появились на свет поворотные дисковые затворы для бетонных заводов и производств строительных материалов.
Корпус затвора выполнен в виде широкого кольца имеющего цилиндрический или квадратный верхний фланец, предназначенный для крепления изделия на бункере или силосе. Если фланец бункера не имеет крепёжных отверстий, или они не совпадают с отверстиями на затворе, крепление осуществляется с использованием специальных кронштейнов.
Исполнение нижней части корпуса дискового затвора зависит от пожеланий Заказчика:
- фланец, предназначен для монтажа следующего за затвором технологического элемента (например, винтового конвейера/шнека);
- патрубок, позволяет смонтировать непосредственно на затворе гибкую перфорированную трубу или рукав
Корпус затвора выполнен в виде широкого кольца имеющего цилиндрический или квадратный верхний фланец, предназначенный для крепления изделия на бункере или силосе. Если фланец бункера не имеет крепёжных отверстий, или они не совпадают с отверстиями на затворе, крепление осуществляется с использованием специальных кронштейнов.
Исполнение нижней части корпуса дискового затвора зависит от пожеланий Заказчика:
- фланец, предназначен для монтажа следующего за затвором технологического элемента (например, винтового конвейера/шнека);
- патрубок, позволяет смонтировать непосредственно на затворе гибкую перфорированную трубу или рукав
ЗАДАТЬ ВОПРОС ИЛИ ЗАКАЗАТЬ
ЗВОНИТЕ! В НАЛИЧИИ, СКЛАД.
Мы свяжемся с вами для уточнения формы оплаты и способа доставки заказа
ЗВОНИТЕ! В НАЛИЧИИ, СКЛАД.
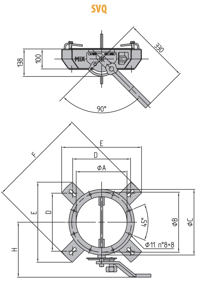
| Тип | A | B | C | D | E | F | H | Вес |
|---|---|---|---|---|---|---|---|---|
| SVQ250 | 250 | 300 | 328 | 290 | 400 | 500 | 275 | 14,2 |
| SVQ300 | 300 | 350 | 378 | 350 | 490 | 620 | 300 | 16,7 |
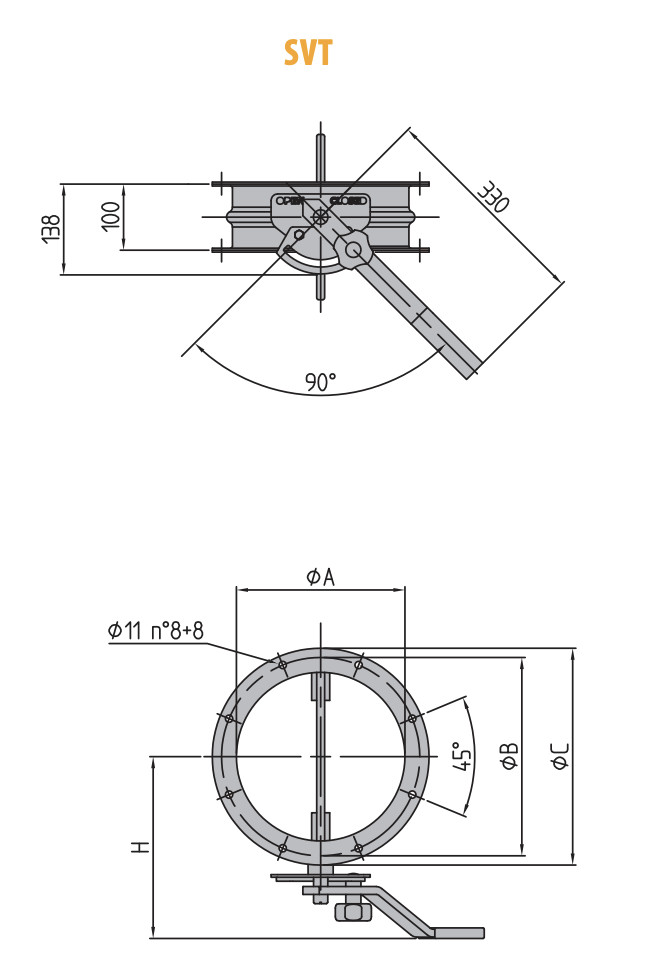
| Тип | A | B | C | H | Вес |
|---|---|---|---|---|---|
| SVT250 | 250 | 300 | 328 | 275 | 9,4 |
| SVT300 | 300 | 350 | 378 | 300 | 11,2 |
Корпус поворотного затвора изготовлен из углеродистой стали, а внутренняя поверхность облицована техническим полимером.
На полуосях затвора закреплен поворотный диск из углеродистой стали с герметизирующей прокладкой из износостойкого полимера. В настоящее время большинство поворотных дисков для работы с цементом изготавливаются целиком из технического полимера. При эксплуатации таких затворов, следует вовремя производить замену изношенных неметаллических частей.
Для данного типа поворотных дисковых затворов используется преимущественно ручной привод, однако, по желанию Заказчика, возможна установка электрического или пневматического привода.
Данный тип затвора рекомендуется для установки перед загрузочными горловинами шнеков, осуществляющих подачу и дозирование цемента на бетоносмесительных узлах (БСУ).
Компания "Приводная механика" предлагает дисковые затворы для бетонных заводов со складов в Липецке, Ярославле, Казани, Воронеже, Астрахани, а так же в Республике Крым, Ижевске и Челябинске. Лучшая складская программа, много позиций имеется в наличии, лучшие условия при доставке под заказ. Вы можете купить дисковые затворы для бетонных заводов с доставкой в любой регион через транспортную компанию на выбор. В компании "Приводная механика" всегда низкие цены на затворы. Наши специалисты окажут профессиональную консультацию и помогут подобрать необходимое оборудование.
